Какой карманный FM радиоприемник лучше выбрать?
Дополнение к книге "Современный тюнер своими руками: УКВ стерео+микроконтроллер". М.СОЛОН-Р 2001 г.
Однажды, отправляясь в заграничное путешествие, у меня возникла необходимость приобрести недорогой и компактный радиоприемник FM диапазона. Уж очень хотелось узнать, как в Европе обстоит дело с FM стереовещанием! Конечно, можно было бы просто разыскать необходимые материалы в Интернете, но, как известно, лучше самому все разузнать, чем полагаться на сведения источников. Я остановился на карманном варианте с головными телефонами - по типу плеера.
 |
 |
 |
фото 1 Тыльная сторона |
фото 2 Лицевая сторона |
фото 3 Со снятой задней крышкой |
Проблема приобретения такого приемника, как оказалось, достаточно острая. Есть образцы, производимые известными фирмами, но они стоят достаточно дорого дорого - 2-3 тысячи. Дешевые варианты китайского производства, предлагаемые на рынках, выглядят так же прилично, как и фирменные, но, к сожалению, оказываются монофоническими. Схема таких радиоприемников представляет собой классический вариант, в основе которого лежит микросхема TDA7021 (настройка поворотом колесика) или TDA7088 (настройка с помощью кнопок "Scan" и "Reset"). Эти приемники описаны в книге, и каких-либо хитростей здесь нет. Они не слишком хорошо работают со стереодекодерами (все-таки ПЧ составляет 76 кГц, что всего в два раза больше поднесущей стереосигнала в системе с пилот-тоном).
 |
фото 4 Аккумуляторы типоразмера ААА |
И все же недорогой стереофонический вариант (всего за 180 рублей) был найден в Петербурге на рынке Апраксина двора ("Апрашки"). Им оказался приемник (FM stereo receiver) Manbo S-202 производства китайской фирмы Holin Electronics. На фото 1-3 представлен внешний вид приемника. Это пластмассовая коробочка размером 80х55х15 мм, окрашенная краской цвета "металлик". Спереди - ручка настройки (88-108 МГц) и регулятор громкости (Vol). Здесь же - светодиод, индицирующий наличие стереопередачи. Сбоку - выключатель питания и гнездо для подключения стереотелефонов. Сзади - батарейный отсек (входит две пальчиковые батареи типоразмера ААА) и пружинная пластмассовая скоба для прикрепления приемника к поясу или карману. В качестве антенны используется провод головных телефонов. На свежих батарейках приемник работает не меньше трех недель, но лучше использовать акуумуляторы (фото 4).
 |
фото 5 Внутренности радиоприемника |
Приемник работает на удивление хорошо - в зоне уверенного приема стереопередача идет чисто, без хрипов. Захват и слежение пилот-тона - уверенный. При движении в автобусе слышны периодические замирания, связанные с интерференцией электромагнитных волн вблизи земной поверхности. Отличная селективность по соседнему и зеркальному каналу - их просто не слышно! В общем, этих денег приемник трижды стоит. Любопытство радиолюбителя и размышления профессионального разработчика радиоэлектронной аппаратуры привели к мысли, что схема приемника отличается от традиционной.
Вскрытие показало: действительно, Manbo S-202 по схеме кардинально отличается от своих карманных собратьев - он построен на известной микросхеме CXA1538S в планарном корпусе (фото 5). УНЧ выполнен на TDA7050. Каких-либо изысков схема не содержит - индикатор точной настройки не задействован (при желании его все же можно задействовать, вскрыв приемник, но об этом чуть позже). Катушки ВЧ - бескаркасные, залитые парафином. Фильтр ПЧ - пьезокерамический, дискриминатор CDA - тоже пьезокерамический. Монтаж выполнен на односторонней печатной плате в классическом китайском стиле "конденсаторы в кучке", но довольно надежно. Конденсатор настройки - сдвоенный пленочный (между пластинами проложены кусочки пленки).
 |
 |
фото 6 Маленькие хитрости |
Чтобы ввести в конструкцию приеника индикатор точной настройки, нужно вначале открыть книгу "Современный тюнер своими руками" на странице 199 и разобраться в подключении светодиода HL1. Затем разобрать приемник, выбрать малогабаритный светодиод и, просверлив отверстие в корпусе, смонтировать его. При разобрке приемника необходимо соблюсти несколько предосторожностей. Во-первых, аккуратно снять декоративный кружок с ручки настройки. Кружок имеет липкую основу и держится только на ней, поэтому его можно извлечь с помощью острой иголки. Во-вторых, с помощбю тонкой крестовой отвертки вывернуть три шурупа, скрепляющих корпус. В-третьих, под кружком ручки настройки имеется винт, который крепит ручку к оси переменного конденсатора. Ручку необходимо снять, для чего вывернуть винт, как показано на фото 6. Если ручку не снять, при отделении платы от корпуса можно безвовзвратно повредить переменный конденсатор. Найти второй такой элемент едва ли удастся, так что с ним нужно обращаться аккуратно. Сборка осуществляется в обратном порядке.
Эксплуатация приемника показала, что самым слабым местом у него являются головные телефоны. Телефоны имеют неразборный разъем типа "jack", и в месте подвода провода происходит его механический излом, потеря контакта (фото 6). Заменить разъем несложно - разъемы продаются в магазинах и на радиорынках. Можно также вскрыть и имеющийся, заизолировав его после ремонта. Выглядеть будет хуже, зато обойдется дешевле.
В заключении отмечу, что с этим приемником удалось проехать пол-Европы, неоднократно убедиться в его надежности, малом потреблении энергии, высоком качестве звучания. Верой и правдой служит S-202 почти год. Советую приобрести!
Увы, по прошествии трех лет со дня покупки приемника, начались более существенные проблемы - вышел из строя конденсатор настройки. Приобрести конденсатор точно такого размера (фото 8) на радиолюбительском рынке не удалось даже среди "развалов" отслужившей свой аппаратуры. Мало того, что конденсатор должен быть малогабаритным, он также должен быть и сдвоенным, настраивать контур преселектора и контур гетеродина одновременно. Поэтому пришлось приобрести сдвоенный импортный конденсатор несколько большего размера (главное, что он поместился в корпусе). Старый конденстаор выпаивается со стороны печати (фото 9), затем с другой стороны приклеивается новый, его выводы подгибаются так, чтобы можно было вставить в штатные отверстия, при необходимости - припаять максимально короткие луженые проводники (фото 10). Если после сборки и включения диапазон "ушел", его можно вернуть на место растяжением или сжатием витков бескаркасных катушек. В моем случае этой операции не потребовалось. Стоимость такого ремонта составила примерно 10 рублей, что намного дешевле покупки нового приемника.
 |
 |
 |
фото 8 До ремонта |
фото 9 Место пайки |
фото 10 После ремонта |
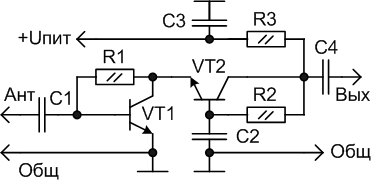
Существенно повысить чувствительность приемника может входной УРЧ, собранный, например, по (фото 11). Это двухкаскадный усилитель, в котором транзистор VT1 включен по схеме с общим эмиттером, а VT2 - по схеме с общей базой. Питается он от тех же батарей (или аккумуляторов), от которых запитана основная схема. Поскольку в штатном случае антенной приемника служит провод головных телефонов, необходимо включить УРЧ в разрыв между выводом 18 микросхемы СХА1238 и проводом головных телефонов.
 |
фото 11 Первая схема УРЧ для приемника |
В конструкции используются отечественные компоненты. Резисторы: R1, R2 - 18 кОм, R3 - 330 Ом; конденсаторы: C1 - 5,1 пФ, С2 - 1000 пФ, С3 - 0,01 мкФ, С4 - 5,1 пФ; VT1, VT2 - КТ371, КТ372, КТ382, КТ391А2, КТ368, КТ3120, КТ399, КТ3101А2, КТ3106А9. Монтаж - навесной, используя свободные места в приемнике (свободного места в корпусе немного, но вполне достаточно для монтажа УРЧ). В наладке УРЧ не нуждается. Его потребление составляет 1-2 мА.
Недостаток данного УРЧ очевиден - его широкополосность. Более удачные варианты имеют входной неперестраиваемый фильтр, который предварительно отфильтровывает все внеполосные сигналы. Схема такого УРЧ показана на (фото 12). Его можно использовать с приемником как в режиме отдельной антенны, так и в режиме антенны-провода головных телефонов, но во втором случае необходимо установить входной разделительный конденсатор емкостью 5,1 пФ (как в предыдущей схеме). Элементы С1, С2, L1 - П-образный ФНЧ, элементы С4, С5, L2 - Т-образный ФВЧ. Их каскадное включение образует полосовой фильтр на диапазон FM. Транзистор VT1 - активный элемент УВЧ.
 |
фото 12 Вторая схема УРЧ для приемника |
В конструкции использованы следующие номиналы. Резисторы: R1 - 330 Ом, R2 - 22 кОм; конденсаторы: С1, С3 - 27 пФ, С2 - 0,01 мкФ, С4, С5 - 51 пФ; транзистор VT1 - такого же типа, как и в предыдущей схеме. Катушки L1 и L2 бескаркасные, наматываются на оправке диаметром 4 мм проводом ПЭТВ-2 диаметром 0,35…0,4 мм. Катушка L1 содержит 3,5 витка; L2 - 4,5 витка. Сборка также может быть навесной.
|