Дополнение к книге
"Силовая электроника: от простого к сложному"
М.СОЛОН-Пресс 2005 г.
После выхода первого издания Вашей книги хотел написать, но не нашел адреса. Мне очень понравилось, что материал изложен интересно: это редкость. На фоне общего застоя в области книг по источникам питания - это серьезное и важное достижение, направленное в будущее. Не буду придираться к неточностям - их нет только у тех, кто ничего не делает. Что не понравилось - флибаки, чопперы и т. д. Путаница, вносимая в терминологию, - это не так безобидно, как кажется. Книга же пишется для того, чтобы ее понимали все. Но кое-что прижилось и у нас, например, "флибак флибака видит ..." По поводу цепляния за "старые методы", я уверен, что ничего за последние тридцать лет принципиально не изменилось, физические принципы и проблемы остались те же самые. Просто новая элементная база облегчает жизнь разработчика... Статья написана для себя, если пригодится, буду рад.
Александр Козлов, ООО "Силовая техника"
Данная статья посвящена некоторым, не освещенным (или недостаточно освещенным) в печати, вопросам формирования траектории переключения транзисторов в высокочастотных преобразователях.
 |
Рис.1 Траектория переключения транзистора |
Существуют два основных класса преобразователей (рис.1) - с жестким переключением (Hard) и мягким переключением (Soft). Основная масса преобразователей - это преобразователи с жестким переключением. Формирование траектории переключения осуществляется RC и DRC цепями. Схема управления вырабатывает ШИМ. Преобразователи с мягким переключением используются в основном в диапазоне мощностей 1-5 кВт. В типичных преобразователях такого класса резонансное переключение транзисторов при нулевом напряжении (ZVS) реализуется введением реактивных цепей и специальной схемы управления - например UC3875 или ее более поздних вариантов. Мгновенная мощность на транзисторах практически нулевая, что резко повышает их надежность (многочисленные схемы ZVS для преобразователей небольшой мощности не рассматриваются в данной статье, с ними можно ознакомиться, например, на www.orc.ru).
У ZVS преобразователей есть принципиальный недостаток - при малой мощности в нагрузке энергии запасенной в реактивных элементах не хватает для обеспечения резонансного переключения. Практически это означает, что преобразователь на режимах, близких к холостому ходу, переходит в режим с жестким переключением транзисторов, что может приводить к их выходу из строя. С этими проблемами вы можете более детально познакомится, например, в статье Владимира Башкирова в журнале "Электронные компоненты", N1, 2002.
 |
Рис.2 а) Преобразователь с размагничивающей обмоткой без формирующих элементов |
В реальной жизни преобразователи, ненадежно работающие в режиме холостого хода, требуются достаточно редко. А чтобы обеспечить их надежность, нужно усложнять схему и применять специальные дорогие транзисторы, блокировать их внутренние диоды и т д. Недостатком преобразователей с жестким переключением является большая мгновенная мощность, выделяющаяся на транзисторах. Действительно, RC и DRC цепи, по своему принципу, не позволяют оптимально сформировать траекторию переключения транзистора. Мгновенная мощность, выделяемая при включении, и особенно при выключении, остается значительной. Следовательно, для надежных преобразователей требуются высоконадежные, а значит и очень дорогие транзисторы. Достоинство таких схем - работа во всем диапазоне нагрузок.
 |
Рис.2 б) Преобразователь с размагничивающей обмоткой c DRC формирователем траектории |
Разработчику всегда хочется совместить достоинства одной и другой схемы и избавится от их недостатков. Конечно, в технике бесплатно ничего не бывает. Но почему бы не попробовать придумать что-то новое в формировании траектории? Для начала вспомним хорошо забытое старое. В статье [1] было предложено формировать траекторию выключения транзистора при помощи демпферного диода. Схема такого преобразователя представлена на рис. 2в. Мгновенная мощность на транзисторе при выключении снижается как минимум в десять раз, а то и больше. Кроме того, мощность, выделяемая в демпферном диоде на интервале восстановления, может быть значительно меньше мощности, которая выделялась бы в транзисторе.
 |
Рис.2 в) Преобразователь с размагничивающей обмоткой с демпферным диодом |
На нижеприведенных рис.3, рис.4 и рис.5 приведены графики выделения мгновенной мощности на транзисторе в преобразователях, выполненных по схемам, приведенным на рис.2 а)-в).
 |
| Рис.3 |
 |
| Рис.4 |
 |
| Рис.5 |
Подведем итоги. Мгновенная мощность на транзисторе для преобразователей по схемам, приведенным на рис.2, составляет: схема без формирователя траектории (рис.2 а) - 175 Вт при включении и 2000 Вт при выключении; схема с DRC формирователем траектории (рис.2 б) - 700 Вт при включении и 500 Вт при выключении; схема с демпферным диодом (рис.2 в) - 175 Вт при включении и 24 Вт при выключении. Различие первых двух схем невелико - это режим с "жестким" переключением и разница между этими двумя вариантами непринципиальна. Поэтому не стоит особо радоваться, найдя в литературе красивую методику расчета DRC цепей - их введение мало что меняет. Результаты по схеме с демпферным диодом близки к режиму "мягкого" переключения (особенно если снизить мощность при включении). Обращаю внимание читателя на то, что транзистор только включается и практически не участвует в процессе выключения (выключается демпферный диод).
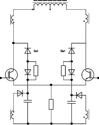
Казалось бы, все хорошо в схеме (рис. 2 в), но есть у этой схемы существенный недостаток - по мере уменьшения тока коллектора растет сдвиг между напряжением и током. Например, в двухтактной схеме в режиме холостого хода длительность создаваемого демпферным диодом сдвига может превысить длительность защитного интервала, и через транзисторы будет протекать сквозной ток. В однотактных схемах тоже возникают похожие проблемы. Как известно, время рассасывания диода пропорционально ln (I1/I0) [3]. Для того, чтобы временной сдвиг, создаваемый демпферным диодом, был постоянным, необходимо, чтобы напряжение подпитки демпферного диода изменялось в зависимости от тока коллектора. Для полумостовой схемы одним из авторов было предложено включать последовательно с транзисторами дроссели. Запасенная в них за время открытого состояния транзистора энергия во время его закрытого состояния через диод передается в емкость выпрямителя питающего демпферный диод (рис. 6).
 |
Рис.6 Полумостовой преобразователь напряжения с формированием траектории переключения демпферными диодами |
В такой схеме длительность сдвига напряжения и тока постоянна. На схему было получено авторское свидетельство (а.с. 1654956). Не менее успешно можно использовать для подпитки демпферного диода трансформаторы тока. На рис.7 представлена схема силовой части пушпульного преобразователя с выходной мощностью до 2000 Вт.
 |
Рис.7 Пушпульный преобразователь с формированием траектории демпферными диодами |
Отсюда вывод: если вам мешает "хвост" у IGBT, сформируйте демпферным диодом необходимый сдвиг и отрежьте его вместе с фронтом. При коллекторном токе 25 А не составит труда получить сдвиг 500 или 1000 нс.
В заключение отметим, что опасаться снижения надежности из-за введения демпферных диодов не стоит, так как диод имеет очень простую (и поэтому устойчивую к перегрузкам) структуру, а MOSFETы и IGBT, напротив, имеют очень сложную (и все более усложняющуюся) структуру.
Александр Козлов, Алексей Кареник
инженеры ООО "Силовая техника" (mettek@vyborg.ru)
Литература
[1] "Snubber technique for HV switched mode power supplies" Rodney Weaving? Electronic Engineering October 1978 p.39
[2] "Методы снижения мощности, рассеиваемой в высоковольтных транзисторах преобразователей напряжения промышленных сетей" Охотников В.А. Фомичев В.В. -ЭТ в А 1980, вып. 11, с 100-105
[3] "Основы теории транзисторов и транзисторных схем" И.П. Степаненко, М, "Энергия" 1967
Послесловие:
зачем нужно заниматься этими вопросами?
Во-первых, накоплен мировой многолетний опыт работы с такими схемами, опыт серийного производства подобных преобразователей, поэтому конкурировать отечественным фирмам с зарубежными достаточно тяжело. Более того, всегда можно найти в интернете готовую разработку и купить ее за $300-500. Можно попытаться применить великолепные транзисторы фирмы APT - но их цена смущает... К тому же, можно ли их реально получить для серийной продукции в достаточном количестве? Во вторых, зарубежные фирмы много лет выпускают такие источники, и рынок занят очень плотно, значит выйти на него можно только с чем-то новым. Например, "выжать" из недорогих транзисторов большую мощность, или обеспечить более высокую надежность на недорогих транзисторах.
В те времена, когда схемы управления импульсными стабилизаторами выполнялись из дискретных компонентов, выбор был невелик (ШИМ или ЧИМ), но всегда хотелось совместить простоту ЧИМ и достоинства ШИМ. В одном из старых номеров "Электронной техники в автоматике" было найдено интересное решение - в петлю обратной связи ЧИМ включается контур, настроенный на частоту преобразования. Практика подтвердила: получается чистый ШИМ. Эта схема не пригодилась, но мысль, что на стыке разных вариантов можно найти интересные решения, осталась.
При освоении серийного выпуска источников питания с бестрансформаторным входом пришлось столкнуться с отказами транзисторов (это были КТ812А и 2Т812А). Отказы не были связаны с нарушениями работы схемы управления. Введение входного контроля транзисторов несколько улучшало положение, но не меняло его радикально. Пришлось серьезно заниматься поиском причин отказов. Ситуация осложнялась тем, что области безопасной работы в ТУ на эти транзисторы еще не было. Пришлось посмотреть примерно тысячу транзисторов от разных заводов, чтобы выявить закономерности. Выяснилось, что транзисторы с одним названием, но выпущенные на разных заводах, очень сильно отличаются (разработчик транзисторов посмотрел образцы и сказал, что он не разрабатывал такие, затем подарил образцы из опытной партии - это действительно были классные транзисторы). Транзисторы одного из заводов были более похожи на то, что разрабатывали на "Пульсаре", поэтому пришлось отказаться отказаться от одного из поставщиков (отказались и от приемки "5"). Ситуация с отказами стабилизировалась, но непонятные отказы полностью не исчезли.
После проверки вариантов выяснилось, что определяющую роль в этих отказах играет мгновенная мощность на транзисторах - надежность их работы определяется траекторией переключения. В то время мы успешно применили формирование траектории переключения демпферными диодами и отказы практически исчезли.
В ходе работы над этим заказом сложилась простая аналогия: если медная проволока не подвергается изгибам, то она почти вечная. Но если начать ее перегибать - то сломается очень быстро. Конечно, транзисторы намного сложнее проволоки, но существо дела от этого не меняется. Введение схемы формирователя на демпферном диоде позволило обеспечить высокую надежность работы транзисторов преобразователей.